Funções:
- Automático de escada, eletromecânico
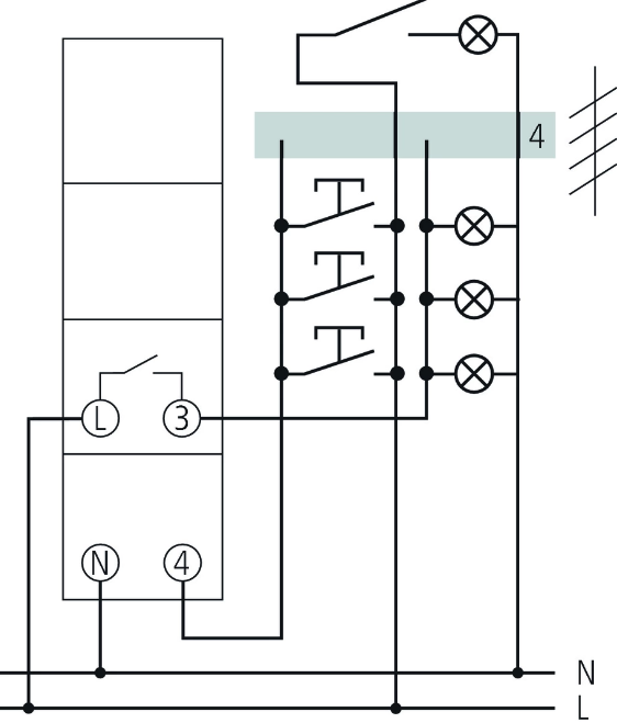
- 4 condutores com ligação para iluminação do piso
- Ligação de 3 condutores sem iluminação do piso (já não é permitido para novas instalações)
- Possibilidade de recebimento de dados
- Sem consumo de corrente de repouso
- Interruptor basculante para luz contínua
- Máxima fiabilidade através do acionamento do motor síncrono
- Regulação temporal mais simples e leitura direta do tempo de retardamento numa escala absoluta
- Mecânica de precisão e, através desta, duração exata de comutação
- Insensibilidade muito elevada perante as interferências
Especificações:
- Tensão de modo de operação: 230 V AC
- Frequência: 50 Hz
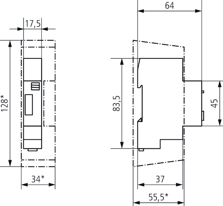
- Tipo de montagem: Calha DIN
- Consumo em stand-by: ~0 W
- Dissipação de potência máxima: 0,7 W
- Carga de lâmpada luminescente: 50 mA
- Intervalo de ajuste da hora: 1 - 7 minutos
- Tipo de ligação: 3/4 condutores
- 3/4 condutores: Sim
- Possibilidade de recebimento de dados: Após 30 s
- Tipo de contacto: Contacto de fecho
- Amplitude de abertura: > 3 mm
- Saída de comutação: Com potencial (230 V)
- Carga das lâmpadas incandescentes/de halogéneo: 2300 W
- Carga das lâmpadas fluorescentes (de balastro de perdas reduzidas) de comutação dupla: 2300 VA
- Carga das lâmpadas fluorescentes (de balastro de perdas reduzidas) compensada em paralelo: 1300 VA, 70 µF
- Lâmpadas fluorescentes compactas: 150 W
- Lâmpada LED < 2 W: 30 W
- Lâmpada LED 2-8 W: 300 W
- Lâmpada LED > 8 W: 300 W
- Carga de lâmpada fluorescente (balastro eletrónico): 600 W
- Carga das lâmpadas fluorescentes (de balastro de perdas reduzidas) compensada em série: 2300 VA
- Potência de comutação: 6 AX a 230 V AC, cos φ = 0,3; 16 A a 230 V AC, cos φ = 1
- Interruptor para luz permanente: Sim
- Material da caixa e do isolamento: Termoplásticos resistentes a altas temperaturas auto-extintores
- Temperatura ambiente: -10°C ... 50°C
- Classe de proteção: II
- Tipo de proteção: IP 20



Datasheet PDF