¡Ver!
MENU
Sin IVA
Con IVA
0
0
EL CARRITO ESTÁ VACÍO
Aún no tienes productos en el carrito.

AVEL 423RNPD0023 - Relé de nível p/ controlo de bombeamento de poço para depósito - Modular (3M) 230VAC

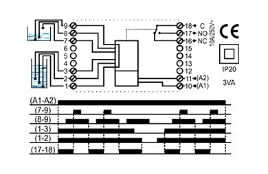
Relé de nível para controlo de bombeamento de água de poço para depósito, com caixa modular para calha DIN e LEDs de indicação de água no depósito e no poço, além de estado do relé. Opera com alimentação de 230 VAC e detecção de 12 VAC, sensibilidade 0-80 kΩ e consumo inferior a 3 VA. O relé de saída oferece até 2500 VA de corte (10 A/250 V) e tolera até 400 VAC. Requer 6 sondas de nível (não incluídas); versão de 24 VAC disponível sob encomenda.
REF
Agotado Sem Previsão de Entrega
Relé de nível p/ controlo de bombeamento de poço para depósito - Modular (3M) 230VAC Relé de nível p/ controlo de bombeamento de poço para depósito - Modular (3M) 230VAC
€ 50,11
/und
IVA Incluido a la Tasa de 23%
Avisarme cuando esté disponibleAvisarme cuando esté disponible
1 Producto Asociado
Relé de nível para controlo de bombeamento de água de um poço (ou furo) para um depósito (ou tanque). O relé de saída fecha o contacto (17-18), sempre que existindo água no poço esta falte no depósito, só desligando quando o depósito encher ou a água faltar no poço.

✅ CARACTERÍSTICAS:
- Caixa modular (largura de 3 módulos) para aplicação em calha DIN.
- Indicação de existência de água no depósito, através de LED verde.
- Indicação de falta de água no depósito, através de LED vermelho.
- Indicação de existência de água no poço/furo, através de LED verde.
- Indicação de falta de água no poço/furo, através de LED vermelho.
- Indicação de relé de saída ligado (17-18), através de LED verde.
- Indicação de relé com tensão na alimentação (10-11), através de LED amarelo.
- Indicação frontal da tensão nominal de alimentação do relé.
- Indicação lateral do esquema de ligações e diagrama de funcionamento.

✅ ESPECIFICAÇÕES TÉCNICAS:
- Sensibilidade dos circuitos de deteção: 0 a 80 Kohm
- Tensão nos circuitos de deteção: 12 VAC
- Tensão de alimentação: 230VAC*
- Tolerância na tensão de alimentação: -15%...+10%
- Consumo: < 3VA
- Dimensões: (L) 54mm x (A) 90mm x (P) 68mm
- Relé de saída:
    ∙ Poder de corte: 2500VA (10A/250V)
    ∙ Tensão máxima de corte: 400VAC

✅ FUNCIONAMENTO DETALHADO:
◾ Pára o bombeamento (desliga 17-18 e liga 16-18) se a água subir até à sonda máx.(7) no tanque ou descer abaixo da sonda min.(2) no poço.
◾ Se parar por falta da água no poço, só reinicia o bombeamento quando a água atingir a sonda máx.(3) no poço.
◾ Se, no depósito, a água descer abaixo da sonda min.(8), reinicia o bombeamento (liga 17-18) se o poço tiver água acima do nível mínimo (2).

✅ NOTAS:
◾ Requer 6 sondas de nível (não incluídas).
◾ * Também está disponível, sob encomenda, uma versão com tensão de alimentação de 24VAC (para mais informações, contacte a Mauser.pt).



▶ Datasheet (PDF)